Проверка реле генератора на автомобиле
Замена реле регулятора генератора ваз 2110
Однако прежде чем приступать к замене, необходимо проверить, действительно ли проблема с неисправным реле. В данном случае будет осуществлена его проверка непосредственно на автомобиле. Для этого необходимо:
- Взять вольтметр, имеющий шкалу 15-30.
- Включить двигатель.
- Включить фары(см.Замена фар на ВАЗ 2110: делаем самостоятельно).
- Работать мотор должен не менее 15 минут.
Примечание: можно включить 2 скорость, но лучше всего, чтобы была включена 3 скорость, так как при этом будет уходить немного меньше бензина. Да и результат будет достигнут значительно быстрее.
- Напряжение нужно измерять между клеммой «B+» и массой генератора. При этом оно не должно быть меньше или больше 13,2-14,7 В.
- Замена реле необходима в том случае, если наблюдается как недозаряд, так и перезаряд.
Проверка снятого реле
Замена реле регулятора на генераторе ваз 2110
Желательно проверять реле вместе со щеткодержателем, так как в некоторых случаях неполадки возникают из-за плохого контакта между реле и щетками. Чтобы проверить регулятор после его снятия, необходимо:
- Включить лампу на 12 В между его щетками.
- Сначала присоединить к выводу реле «D+» источник питания с напряжением в 12 В. При неисправном реле лампа будет гореть.
- Затем нужно взять более мощный источник тока – 15-16 В. Если реле неправильно работает, то лампочка погаснет.
Примечание: лампа может гореть или гаснуть в обоих случаях. Если она горит и там, и там, значит в регуляторе имеются пробои. В то же время, если лампочка не горит, значит между щетками нет контакта, к чему может привести обрыв проводов.
Проверка конденсатора
Реле генератора ваз 2110
Кстати говоря, многие путают неисправное реле с неисправным конденсатором(см.Меняем конденсатор (генератор ваз 2110)), так как «симптомы» довольно похожи. Таким образом, если проверив реле, понятно, что оно полностью исправно, а генератор напряжения работает плохо, то нужно проверить и конденсатор. Он защищает все электронное оборудование от перепада напряжения. Чтобы проверить его работу, следует:
- Включить радиоприемник. Если в его работе наблюдаются помехи, значит с конденсатором не все в порядке. Двигатель при этом должен также быть включенным.
- Проверить его исправность можно при помощи мегомметра или тестера. При подключении к конденсатору, стрелка должна быстро отклониться в сторону, а затем медленно вернуться в первоначальное положение.



Проверка совмещенного реле-регулятора
Проверка регулятора напряжения ВАЗ 2110
Для выполнения соответствующей проверки необходимо собрать схему, приведенную на рисунке. Для этого используются зарядное устройство или блок питания с регулируемой нагрузкой (важно, чтобы с его помощью была возможность регулировать значение напряжение в цепи), лампочку на 12 В (например, от поворотника или фары, мощностью 3. 4 Вт), мультиметр, непосредственно регулятор напряжения (это может быть как от генератора bosch, так и valeo или другой). Используемые для коммутации провода желательно иметь с “крокодилами”.
Проверка регулятора напряжения у генератора 37.3701: 1 — аккумуляторная батарея; 2 — вывод «масса» регулятора напряжения; 3 — регулятор напряжения; 4 – вывод «Ш» регулятора; 5 — вывод «В» регулятора; 6 — контрольная лампа; 7 — вывод «Б» регулятора напряжения.
Если собрать схему, напряжение в которой будет со стандартным значением 12,7 В, то лампочка будет просто светиться. Но если с помощью регулятора напряжения поднять его значение до 14. 14,5 В, то при исправном реле лампочка должна погаснуть. В противном случае регулятор неисправен. То есть, при достижении напряжения в 14. 14,5 В (в зависимости от модели машины и, соответственно, регулятора) и выше лампочка тухнет, а при понижении до такого же уровня вновь загорается.
Проверка регулятора напряжения ВАЗ 2107
Проверка регулятора напряжения на автомобилях ВАЗ 2108/2109
До 1996 года на машине ВАЗ 2107 с генератором марки 37.3701 устанавливался регулятор напряжения старого образца (17.3702). Процедура проверки приводилась выше. После 1996 года использовался более современный генератор марки Г-222 (стоит интегральный регулятор РН Я112В(В1).
Как видите, алгоритм проверки у всех регуляторов практически одинаков. Разница состоит лишь в значениях отсечки, когда срабатывает реле.
Как узнать, что сломано именно реле, а не сам генератор
Многие считают, что если аккумулятор не держит заряд, то проблема в генераторе. Однако иногда причиной этого может неисправный реле-регулятор. Чтобы проверить, что именно не работает, нужно выполнить следующие действия:
- Открыть капот автомобиля.
- Завести двигатель. Поставить 2 или 3 скорость на коробке передач.
- Снять клемму аккумулятора.
Примечание: это нужно для того, чтобы в системе не случилось замыкания.
- Если после этого машина по-прежнему работает, значит неисправно реле. А вот если автомобиль заглох, значит причина все-таки в генераторе.
Преимущества трехуровневого реле
Регулятор напряжения монтируется на борт машины, в то время как щетки генератора и панель – прямо в генератор. Благодаря этим трем уровням, аккумулятор долго будет находиться в заряженном состоянии, а срок его эксплуатации значительно увеличится. Этими уровнями являются:
- Уровень «минимум». Он необходим для того, чтобы автомобиль работал даже в самых жарких условиях. То есть, он не будет глохнуть даже в тех местностях, где температура воздуха превышает +20 градусов. Кроме того автомобиль сможет выдержать даже самые высокие склоны.
Примечание: данный уровень необходим в летний период.
- Уровень «норма». Позволяет машине работать при нормальных условиях.
- Уровень «максимум». Необходим для использования машины даже при отрицательных температурах. При этом, автомобиль сможет завестись даже при разряженном аккумуляторе.
Причины замены
Замена реле нужна в таких случаях:
- Щетки износились. Кстати, это и является основной причиной. Дело в том, что из-за их износа пропадает контакт с реле, поэтому из-за недостатка питания генератор перестанет работать.
- В схеме наблюдается пробой, что приводит к повышению напряжения в системе.
- Разрывы проводов из-за чего ослабли контакты.
- Поломка корпуса или креплений. С этим шутки плохи, так как это может привести к нежелательному замыканию.
Замена реле
Чтобы снять реле, не обязательно демонтировать генератор. Для этого нужно:
- Найти реле.
Примечание: обычно оно черного цвета и крепится к генератору при помощи желтого провода.
- Отсоединить минусовую клемму аккумулятора.
- Открутить два болта крепления к генератору.
- Снять желтый провод, идущий к реле от генератора.
- Демонтировать реле. Тщательно осмотреть его. Если щетки стерлись, то замены нельзя избежать.
- Если какой-то из проводов разорвался или на его поверхности есть пробоины, то можно обойтись только их заменой.
Примечание: можно их просто заизолировать, даже не меняя на новые. Хотя реле стоит недорого – всего рублей 70.
- Проверить новый регулятор напряжения, после чего закрепить его на генератор.
- Присоединить обратно желтый провод и клемму аккумулятора.
Как уже отмечалось ранее, замену реле можно произвести и своими руками. Главное – ознакомиться с процессом работы заранее, чтобы позже не возникло вопросов. Для этого можно найти фото в различных журналах по авто ремонту. Гораздо проще – воспользоваться видео, которых в интернете есть множество. Наша инструкция также поможет в этом нелегком деле. Зато цена домашнего ремонта не превысит 100 рублей.
Тенденции автомобильной инженерии крутятся вокруг электротяги: автомобилей, которые работают на электричестве, все активнее. Только смутно верится, что все мы одним махом пересядем на электромобили. Там же все держится на аккумуляторе, а мы пока что и со стартерной батареей справиться не можем. Для этого и придумывают все новые устройства, которые продлевают ей жизнь. Одним из таких допов стало реле зарядного напряжения с тремя ступенями.
Как проверить и отремонтировать зарядное устройство для автоаккумулятора
Во время длительной эксплуатации аккумуляторная батарея теряет свой заряд, поэтому важно периодически производить обслуживание (особенно АКБ уязвима в зимнее время) и правильно заряжать автомобильный аккумулятор. На сегодняшний день на рынке представлено большое количество зарядных устройств для аккумулятора, которые можно разделить на две большие группы: трансформаторные и импульсные. В основе первого лежит простейший трансформатор и выпрямитель, в основе второго менее громоздкий, но более надежный импульсный преобразователь. Как и любой прибор, зарядное устройство для аккумулятора выходит из строя и требует ремонта. Проявляется это в первую очередь в том, что аккумулятор автомобиля не заряжается от зарядного устройства.
Содержание статьи
Как проверить зарядное устройство для автомобильного аккумулятора
Проверка напряжения на аккумуляторе
Если напряжение зарядного устройства ниже 13 В, либо оно «скачет», то однозначно электроприбор сломан.
Нужно подключить аккумулятор к зарядному устройству и замерить напряжение. Измеряется оно на зажимах (крокодилах), идущих от прибора с помощью мультиметра. Идеальное напряжение – 14,4 В. Если напряжение зарядного устройства ниже 13 В, либо оно “скачет”, то однозначно электроприбор сломан. Так же исправность можно проверить силой тока в цепи. Для этого надо полностью разряженную АКБ подключить к зарядному устройству через мультиметр (то есть между крокодилом и клеммой аккумулятора вставить мультиметр). Сила тока, подаваемая на батарею должна составлять 10% от емкости этой батареи. Если показания другие, то зарядное устройство для автомобильного аккумулятора не работает.
Как проверить зарядное устройство без аккумулятора
Проверка зарядного устройства при помощи лампочки накаливания
Вместо АКБ к заряженному устройству можно подключить любое устройство, рассчитанное на 12 В, например, лампочку. Если она горит, то зарядное устройство работает, если не горит – то, соответственно, нет.
Почему зарядное устройство не заряжает аккумулятор
Причин может быть несколько: неправильная зарядка аккумулятора, повреждение проводов, неисправность одного из рабочих элементов, потеря тока на определенном этапе. Чтобы определить какие именно неисправности зарядного устройства для автомобильного аккумулятора имеют место быть, нужно отключить прибор от питания и разобрать его. Для этого простой отверткой выкручиваем винты и снимаем крышку. Зарядное устройство трансформаторного типа будет иметь следующий состав:
Перед ремонтом зарядника необходимо отключить его от сети и разобрать.
- Диодный мост.
- Амперметр.
- Галетный переключатель.
- Силовой трансформатор.
- Предохранитель.
Ремонт ЗУ трансформаторного типа для автомобильного аккумулятора
Проверка зарядного устройства для автомобильного аккумулятора
В первую очередь следует проверить крепление проводов, часто достаточно припаять провод на место и зарядное устройство будет работать.
В первую очередь следует проверить крепление проводов. Если какое-то из них ослабло или вовсе оборвалось, то нужно просто припаять провод на место. В этом случае ремонт будет прост и дешев.
Если проводка на месте и иных дефектов соединений нет (бывает, что некоторые соединительные пластмассовые части оплавляются, в этом случае их следует заменить на новые, либо закрепить элементы другим подручным способом), то переходим к проверке компонентов устройства по отдельности. Проверим напряжение на входе, а именно вдоль провода до места соединения с силовым трансформатором. В случае, если оно непостоянно или отсутствует, мы имеем дело с неисправностью цепи подачи питания. Проверим предохранитель, для того, чтобы он работал, питание должно присутствовать на обоих клеммах. Если на этом участке выявлены недостатки, то устраняем их (меняем предохранитель, либо проводку или вилку).
Проверка силового трансформатора зарядного устройства
Далее производим проверку силового трансформатора. Для этого нужно замерить напряжение на выходных клеммах трансформатора. При отсутствии – заменить на новый, при наличии – проверить галетный выключатель. Галетный переключатель следует диагностировать в разных его положениях, и заменить его в случае отсутствия питания на выходе (при этом обязательно должно быть питание на входе).
Монолитные диодные мосты ремонту не подлежат и меняются целиком.
Чтобы проверить диодный мост, нужно подать напряжение на зарядное устройство. Если элемент исправен, то ток будет присутствовать как на входе в диодный мост, так и на выходе из него. Если это не так, то проверяется каждый диод моста. Нормальная работа диода характеризуется небольшим сопротивлением с одной стороны и почти бесконечным с другой. Вычисляем неисправные диоды, удаляем их, устанавливаем новые. Кстати сказать, монолитные диодные мосты ремонту не поддаются и меняются целиком. Если предыдущие проверки дефектов в работе зарядного устройства не выявили, то переходим к обследованию амперметра. При подсоединенном приборе к плюсу и минусу напряжение отсутствует, а соединенные между собой клеммы амперметра напряжение на выходе выдают – это верный признак поломки амперметра.
В целом, отремонтировать зарядное устройство и выявить, почему аккумулятор не берет зарядку от зарядного устройства, не так сложно. Но если вы не обладаете хорошими знаниями в электрике и не уверенны в своих силах, то целесообразно будет доверить такую работу специалистам.
mytopgear.ru
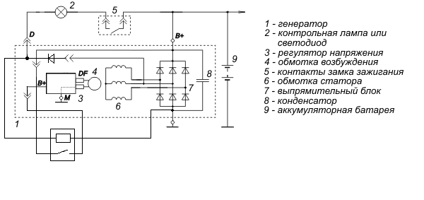
Что такое регулятор напряжения генератора?
Регулятор напряжения представляет собой реле, которое в нужные моменты времени замыкает и размыкает электрическую цепь. В автомобилях данное реле работает для ограничения выходного напряжения. Дело в том, что генератор с определенной частотой вращения ротора может вырабатывать конкретное напряжение. Так как частота вращения ротора постоянно зависит от частоты вращения коленчатого вала, то и напряжение меняется соответственно. Для удержания заданного напряжения было разработано специальное устройство, которое помогает создать выходное напряжение в пределах 12 – 14 Вольт.
Первое реле напряжения выполнялось в виде электромагнита, которое с изменением входной величины размыкалось, а при падении напряжения снова замыкалось, таким образом, напряжения в электрической цепи бортовой системы удерживалось в строго заданном диапазоне. Такой диапазон необходим для корректной работы электрических приборов. Если увеличить величину напряжения до значений, превышающих номинальные, то прибор попросту выйдет из строя.
Другим этапом развития механического реле стало появление полупроводникового устройства, которое работает намного точнее и надежнее. Полупроводниковое реле имеет меньшие габариты и специальный сигнализатор, который говорит о том, работает ли прибор или он вышел из строя.
Главным отличие механического реле от полупроводникового – это возможность проведения регулировок. Если выходное напряжение питающей цепи изменилось, то, изменяя положение специального устройства, можно задать новые величины, которые позволят работать реле еще долгое время.
При выходе из строя реле регулятора, оно подлежит только замене!!!
Проверка снятого регулятора напряжения
Чтобы убедиться, что вышел из строя именно РН, а не сам генератор, его следует проверить отдельно. Для этого его потребуется отсоединить от основного устройства. Порядок действий таков:
- Снимаем минусовую клемму с АКБ.
- Находим место крепления РН к генератору. Откручиваем 2 винта его крепления.
- Отсоединяем желтый провод, идущий от регулятора к генератору.
- Демонтируем РН.
Для диагностики устройства потребуется блок питания с возможностью регулировки выходного напряжения, лампочка (12 В) с патроном и пара проводов. Алгоритм проверки следующий:
- Собираем «контрольку» из лампы и проводов и подсоединяем ее к щеткам регулятора.
- Устанавливаем напряжение на блоке питания на уровне 12 В.
- К выводу «D+» регулятора подводим «плюс» от блока питания, а к его «массе» – «минус».
- Смотрим на лампу: она должна гореть.
- Увеличиваем напряжение на блоке питания до 15-16 В. При исправном регуляторе лампа должна погаснуть. Если этого не произошло – РН необходимо заменить.
Неисправности и проверка регуляторов на ВАЗ
В процессе эксплуатации регулятор напряжения может выйти из строя. В автомобилях ВАЗ 2110 всех выпусков применяется полупроводниковое реле, которое имеет в своем составе графитовые щетки генератора. Неисправность реле может привести к следующим последствиям:
- Выход из строя всех приборов сети автомобиля. Обычно, первым делом перегорают все лампы световых приборов. Если вдруг это произошло — реле вышло из строя, так как выходное напряжение превысило номинальные значения.
- Перезаряд аккумулятора. Перезарядка гальванического элемента также недопустима. Это может привести к закипанию электролита и последующему повреждению аккумуляторной батареи.
- Малая зарядка. Как говорят многие автолюбители, происходит «недозаряд». Слабая аккумуляторная батарея не сможет в полной мере обеспечить надежный пуск двигателя.
Всего встречаются только две неисправности реле регулятора напряжения. Таковыми являются: отказ работы реле (зарядка не происходит, или происходит перезаряд батареи) и его некорректная работа (реле работает, но пропускает слишком маленькое напряжение, которого недостаточно, чтобы зарядить аккумуляторную батарею). Обо всех неисправностях реле можно узнать по многим внешним признакам, а также с помощью диагностики.
Самый надежный способ проверить регулятор напряжения – это замерить электрическую величину на клеммах аккумуляторной батареи при запущенном двигателе на холостом ходу. Нормой напряжения принято считать значения от 13,5 до 14,2 Вольт. Если уровень напряжения превышает эти значения или имеет более низкие, значит, регулятор напряжения вышел из строя и подлежит замене.

Помимо этого, существуют и другие признаки отказа реле в работе, после которых обычно и начинает проверка устройства:
- Сработала контрольная лампа зарядки при работе двигателя. С увеличением числа оборотов лампа гаснет.
- Тусклый свет фар во время работы двигателя. Точно также, с увеличением числа оборотов можно наблюдать более яркое свечение.
- Слишком яркий свет фар и последующее перегорание ламп также указывает на некорректную работу реле.
- Если заряда аккумулятора хватает на малое число пусков, значит, реле не обеспечивает необходимого заряда в полной мере.
Замена реле генератора ваз 2110 своими силами
Величина электрического напряжения, вырабатываемого автомобильным генератором, не постоянна и зависит от количества оборотов коленчатого вала. Для того чтобы ее стабилизировать, предназначен специальный регулятор. О нем мы и поговорим в этой статье на примере автомобиля ВАЗ-2110.
Регулятор напряжения на большинстве автомобилей подключен к бортовой сети по нижеприведенной схеме.
Принцип работы регулятора напряжения (РН) такой же, как и у реле. Иными словами, он размыкает и замыкает электрическую цепь. Именно поэтому устройство еще называют реле-регулятором. Оно срабатывает при изменении заданной величины напряжения, поступающего с генератора.
Первые регуляторы имели электромагнитную конструкцию. Это были самые настоящие реле. Современные устройства изготавливаются на основе полупроводников. Они отличаются небольшими габаритами, а кроме того, работают намного точнее и эффективнее. Некоторые из них даже оснащены специальными сигнализаторами, которые позволяют водителю контролировать их работоспособность.
Процесс замены регулятора напряжения особой сложностью не отличается. Все, что вам необходимо сделать, – это приобрести новое устройство, проверить его вышеописанным способом и установить на генератор, прикрутив двумя винтами. И не забудьте подключить желтый провод!
Изначально необходимо внимательно изучить комплектацию регулятора. Обычно это инструкция, прибор и соединительные провода с держателями, которые потребуются для фиксации корпуса.
Перед монтажом позаботьтесь о наличии под рукой рожково-накидного ключа и отвертки накрест. Дополнительно не помешает нож и тестер для проверки напряжения. Зажим клемм выполняется при помощи щипцов или возьмите плоскогубцы.
Перед началом монтажных работ отсоедините минусовые клеммы с аккумулятора. Важно полностью скрутить ее с АКБ.
Далее откручивается гайка генератора при помощи соответствующего ключа. Для получения доступа к кожуху снимается колодка, которая обычно крепится на трех защелках. Для отсоединения нужно немного поддеть колодку с краю. Далее кожух должен легко сниматься.
Следующим шагом идет выкрутка винтов, но предварительно убедитесь, что штекер полностью демонтирован. Далее снимается гайка, торцы которой следует хорошо обработать напильником. Это нужно для того, чтобы улучшить контакт диодного моста с втулкой. Щеткодержатель монтируется на место регулятора. Важно в процессе установки позаботиться о его уплотнении, чтобы надежнее зафиксировать прибор.
Следующим этапом идет обратный монтаж пластикового кожуха на его место и можно начинать укладывать провод регулятора. Все делайте аккуратно и учитывайте размещение основной проводки машины.
Чтобы провода не болтались – закрепите их пластиковыми хомутиками.
Только по завершении всех вышерассмотренных действий осуществляется монтаж самого прибора. Контакт с массой должен быть надежным. Нередко для этого применяется шунт, который позволяет скрепить корпуса регулятора и генератора намного лучше.
Как только устройство было подключено, необходимо прикрутить другие провода из комплекта. По завершении всех монтажных работ следует проверка работоспособности устройства. Важно загрузить аккумулятор на полную – включайте печку, магнитолу, фары и так далее.
Традиционная схема регулятора напряжения предполагает наличие различных диодов. Рабочие характеристики элементов могут значительно отличаться. Все потому, что часто происходит резкая смена уровня напряжения в системе. Помимо этого, следует учитывать силу тока.
Регуляторы нередко обладают радиаторами, которые предназначены для охлаждения диодов. Управление устройством осуществляется при помощи тумблера. Для замыкания цепи используется планка электропривода.
В схему электрооборудования автомобиля входит такое устройство, как регулятор напряжения генератора ВАЗ 2110. В его задачу входит ограничение выходного напряжения генератора и доведение его до оптимальных значений в соответствии с параметрами бортового оборудования. В этой статье мы расскажем, как работает это устройство, какие для него характерны неисправности, как проверить и заменить. Также мы дадим вам подробные рекомендации, которые позволят вам продолжить движение при неисправном регуляторе.
В процессе эксплуатации регулятор напряжения может выйти из строя. В автомобилях ВАЗ 2110 всех выпусков применяется полупроводниковое реле, которое имеет в своем составе графитовые щетки генератора. Неисправность реле может привести к следующим последствиям:
- Выход из строя всех приборов сети автомобиля. Обычно, первым делом перегорают все лампы световых приборов. Если вдруг это произошло — реле вышло из строя, так как выходное напряжение превысило номинальные значения.
- Перезаряд аккумулятора. Перезарядка гальванического элемента также недопустима. Это может привести к закипанию электролита и последующему повреждению аккумуляторной батареи.
- Малая зарядка. Как говорят многие автолюбители, происходит «недозаряд». Слабая аккумуляторная батарея не сможет в полной мере обеспечить надежный пуск двигателя.
Всего встречаются только две неисправности реле регулятора напряжения. Таковыми являются: отказ работы реле (зарядка не происходит, или происходит перезаряд батареи) и его некорректная работа (реле работает, но пропускает слишком маленькое напряжение, которого недостаточно, чтобы зарядить аккумуляторную батарею). Обо всех неисправностях реле можно узнать по многим внешним признакам, а также с помощью диагностики.
Самый надежный способ проверить регулятор напряжения – это замерить электрическую величину на клеммах аккумуляторной батареи при запущенном двигателе на холостом ходу. Нормой напряжения принято считать значения от 13,5 до 14,2 Вольт. Если уровень напряжения превышает эти значения или имеет более низкие, значит, регулятор напряжения вышел из строя и подлежит замене.
Помимо этого, существуют и другие признаки отказа реле в работе, после которых обычно и начинает проверка устройства:
- Сработала контрольная лампа зарядки при работе двигателя. С увеличением числа оборотов лампа гаснет.
- Тусклый свет фар во время работы двигателя. Точно также, с увеличением числа оборотов можно наблюдать более яркое свечение.
- Слишком яркий свет фар и последующее перегорание ламп также указывает на некорректную работу реле.
- Если заряда аккумулятора хватает на малое число пусков, значит, реле не обеспечивает необходимого заряда в полной мере.
После обнаружения всех вышеперечисленных неисправностей, необходимо произвести замену реле. Для этого необходимо точно знать, какое именно реле установлено на вашем автомобиле. Дело в том, что в зависимости от модели автомобиля, применяются и разные генераторы. Модификации ВАЗ 2110 тоже имеют разные генерирующие устройства.
Условно регуляторы можно разделить на два вида: для инжекторных автомобилей и карбюраторных. Конструктивных отличий у них мало, а вот параметры, на основе которых они работают, могут различаться.
После определения типа реле, выполняется приобретение точно такого же нового регулятора. Затем, отключить минусовую клемму аккумулятора и демонтируйте штекер из разъема реле. Открутите два шурупа крепления реле и открутите гайку проводов массы. Демонтируйте старые щетки, а на их место установите новые. Монтаж производится в обратном порядке.
На этом замена регулятора напряжения ВАЗ 2110 завершена.
Реле регулятор ваз
Замена реле генератора ваз 2110 может быть воспроизведена двумя способами: со снятием генератора и без его снятия. Оба варианта можно выполнить в домашних условиях, хотя второй сопровождается меньшим количеством манипуляций с автомобилем. Но несмотря на это, первый вариант для некоторых может оказаться более простым. Заменить реле регулятор генератора ваз 2110 сможет каждый, если прочитает и изучит нижеприведенную инструкцию.
Замена реле нужна в таких случаях:
- Щетки износились. Кстати, это и является основной причиной. Дело в том, что из-за их износа пропадает контакт с реле, поэтому из-за недостатка питания генератор перестанет работать.
- В схеме наблюдается пробой, что приводит к повышению напряжения в системе.
- Разрывы проводов из-за чего ослабли контакты.
- Поломка корпуса или креплений. С этим шутки плохи, так как это может привести к нежелательному замыканию.
Замена реле
- Отсоединить минусовую клемму аккумулятора.
- Открутить два болта крепления к генератору.
- Снять желтый провод, идущий к реле от генератора.
- Демонтировать реле. Тщательно осмотреть его. Если щетки стерлись, то замены нельзя избежать.
- Если какой-то из проводов разорвался или на его поверхности есть пробоины, то можно обойтись только их заменой.
- Проверить новый регулятор напряжения, после чего закрепить его на генератор.
- Присоединить обратно желтый провод и клемму аккумулятора.
Как уже отмечалось ранее, замену реле можно произвести и своими руками. Главное – ознакомиться с процессом работы заранее, чтобы позже не возникло вопросов. Для этого можно найти фото в различных журналах по авто ремонту. Гораздо проще – воспользоваться видео, которых в интернете есть множество. Наша инструкция также поможет в этом нелегком деле. Зато цена домашнего ремонта не превысит 100 рублей.
Регулятор напряжения на современном автомобиле автоматически и непрерывно корректирует ток возбуждения генератора. Причем данный процесс идет так, чтобы при изменении токовой нагрузки и частоты вращения генератора величина его напряжения оставалась в строго определенном интервале.
Для анализа состояния регулятора необходимо приобрести вольтметр, который располагает измерительной шкалой в пределах 15–30 вольт. Проверка выполняется следующим образом:
- запускают на средних оборотах двигатель автомобиля и дают ему поработать на протяжении четверти часа (операция производится при включенных фарах);
- вольтметром определяют показатель напряжения между «массой» генерирующего устройства и «плюсом» на АКБ.
- Выход из строя всех приборов сети автомобиля. Обычно, первым делом перегорают все лампы световых приборов. Если вдруг это произошло – реле вышло из строя, так как выходное напряжение превысило номинальные значения.
- Перезаряд аккумулятора. Перезарядка гальванического элемента также недопустима. Это может привести к закипанию электролита и последующему повреждению аккумуляторной батареи.
- Малая зарядка. Как говорят многие автолюбители, происходит «недозаряд». Слабая аккумуляторная батарея не сможет в полной мере обеспечить надежный пуск двигателя.
Что делать, если реле напряжения вышло из строя?
Бывает такое, что реле вышло из строя в самый неподходящий момент, когда до дома еще ехать, а аккумулятор не заряжается. Емкость аккумулятора при экономном режиме может обеспечить довольно длительную работу двигателя, что позволит вам без проблем добраться до места ремонта. Ниже мы приведем список рекомендаций, которые помогут вам доехать, как это называется, «на аккумуляторе» и не заглохнуть.
- Если происходит перезаряд аккумуляторной батареи, то необходимо выключить реле из цепи. Для этого, с него снимаются контактные провода и остаются висеть. В случае с «десяткой», достаточно выдернуть штекер с проводом из разъема щеток генератора. Таким образом, отключается зарядка аккумулятора, и дальнейшее движение будет уже не во вред батарее.
- Многие специалисты предлагают идти и по другому пути – отключить обмотку возбуждения генератора. Для этого вытаскивается соответствующий предохранитель. Однако, это можно делать, если вам известно, где находится данный предохранитель.
- Если происходит слабая зарядка аккумулятора, то для паники причин практически нет. Чтобы добраться до места назначения, необходимо поддерживать большие обороты, чтобы, хоть немного, но доводить значение напряжения до номинального. Перед остановкой двигателя, рекомендуется несколько секунд с помощью педали газа поддерживать обороты на уровне 3000 об/мин. Так вы подготовите аккумулятор к следующему пуску.
- Старайтесь не пользоваться музыкой, электрическими стеклоподъемниками, светом фар (особенно дальним светом), а также прочими электрическими приборами, если их применение не является необходимым. Это хорошо сэкономит заряд аккумулятора.
Как разделяются блоки в машине?
Основной тип блока выносится в наиболее удобное для водителя место. В данной версии ВАЗа он расположен с левой стороны кузова непосредственно у руля. Легкий доступ к блоку обеспечен с помощью встроенной кнопки, расположенной рядом с регулятором фар машины.
2 резервных блока с реле располагаются отдельно в правой и центральной частях консоли точно за приборной панелью. Один из представленных далее на схеме предохранителей будет находиться в отдалении от всего списка остальных – его можно найти в специальном отделении за блоком основных предохранителей, рядом с монтажным блоком. Для своевременного ремонта электрооборудования на ВАЗ-2110 необходимо научиться быстро определять расположение прогоревшего предохранителя, а также знать, на какие элементы машины его поломка будет влиять.
Совет: очень часто один сгоревший клапан может привести к замене вакуумного усилителя на ВАЗ-2110. Именно поэтому важно проверять не только общее состояние предохранителя, но и взаимодействующих с ним частей, например, инжектора.
За что отвечает комплект реле с блоком предохранителей?
Схема расположения предохранителей и реле в основном монтажном блоке ВАЗ-2110
Приведенная выше схема описывает расположение основного комплекта реле и блока предохранителей. Здесь расположены следующие элементы:
- К1 – это тип реле, отвечающий за контроль над исправностями комплекта лампочек;
- К2 – данное комплектующее связано с работой передней пары дворников;
- K3 – за этим обозначением кроется реле-прерыватель, которое регулирует работу повторителя и знака аварийной сигнализации машины;
- К4 и К5 – пара реле для инжектора, которая отвечает за включение ближнего/дальнего света фар ВАЗ-2110;
- К6 – дополнительный тип реле, необходимый для замены одного из сгоревших из основного блока;
- К7 – этот элемент отвечает за включение функции обогрева на заднем стекле;
- K8 – так же как и К6, является резервным реле.
Совет: если вы заметили основные признаки неисправности датчика кислорода. вам стоит в первую очередь посмотреть предохранители. Если в монтажном блоке все в порядке, тогда стоит обратиться за помощью в автосервис для проведения диагностики.
За что отвечает второй комплект блока предохранителей?
Обозначенные ниже на схеме электрооборудования символами F1-F20 являются элементы, которые характеризуют комплект плавких предохранителей. Электрическая цепь в автомобиле ВАЗ-2110 защищается с помощью плавких предохранителей исходя из конкретного расчета модели на указанное при покупке значение номинального тока.
В то же время плавкие предохранители не отвечают за качественную работу цепи, состоящей из образца аккумуляторной батареи, отдельного типа цепи генератора, системы зажигания и пуска клапанов двигателя. Для замены неисправного предохранителя в этом монтажном блоке нужно следовать по следующему плану:
- Находите предохранитель, который имеет механические повреждения или его корпус сгорел;
- По инструкции определяете и устраняете причину, по причине которой он оказался неисправным;
- Устанавливаете новый предохранитель, используя резервный образец.
Совет: никогда не пытайтесь заменить плавкий предохранитель на специальные перемычки. В дальнейшем это приведет к выходу из работы тех устройств, которые закреплены за этим предохранителем.
Схема с обозначениями второго комплекта предохранителей в блоке
Все предохранители разделяются по взаимодействию с электрооборудованием следующим образом:
- F1 (сила тока 5А) — предохранитель, отвечающий за комплекс ламп, которые освещают номерной знак, всю приборную доску, включающие габаритный свет и освещение в багажнике.
- F2 (сила тока 7,5А) — элемент, регулирующий работу ближнего света на левой фаре.
- F3, F4 (сила тока 10А) — отвечает за работу дальнего света в левой фаре и правой противотуманной фары соответственно.
- F5 (с силой тока 30А) — отвечает за электродвигатель стеклоподъемников у передних и задних автомобильных дверей.
- F6 (с силой тока 15А) — относится к работе переносной лампы.
- F7 (с силой тока 20А) — регулирует работу электродвигателя вентиляторов в системе охлаждения 16-клапанного двигателя, а также работу звукового сигнала.
- F8 (с силой тока 20А) — подает ток к элементам обогрева, находящимся на заднем стекле. Кроме того, вместе с контактами от реле передает ток к лобовому стеклу.
- F9 (с силой тока 20А) — отвечает за работу рециркуляционного клапана. Также взаимодействует с датчиками очистителя и омывателя лобового стекла и передних фар.
- F10 (с силой тока 20А) — является резервным предохранителем.
- F11 (с силой тока 5А) — регулирует работу ламп с габаритным светом по правому борту.
- F12 и F13 (с силой тока 10А) — оба предохранителя регулируют работу правой фары, отвечая за ближний/дальний свет соответственно.
- F14 (сила тока 10А) — регулируется свет от левой противотуманной фары.
- F15 (с силой тока 20А) — взаимодействует с электрообогревом водительского и пассажирских сидений. Защищает машину от несанкционированной блокировки центрального замка у багажника.
- F16 (с силой тока 10А) — передает ток на реле-прерыватель для обеспечения работы указателя поворота левой и правой фары, а также используется для подачи аварийного сигнала (при использовании режима аварийной сигнализации на ВАЗ-2110).
- F17 (сила тока 7,5А) — работает с лампой освещения в салоне машине, освещением стоп-сигналов, индивидуальной подсветки выключателей системы зажигания и регулирует работу маршрутного компьютера.
- F18 (с силой тока 25А) — освещает вещевой ящик, подает ток на контроллеры системы отопления и прикуриватель на приборной доске.
- F19 (с силой тока 10А) — отвечает за работу блокировки замков в дверях, также информирует водителя о наличии неисправности в лампах стоп-сигнала или элементов габаритного света.
- F20 (сила тока 7,5А) — работает с лампами задней пары противотуманных фонарей ВАЗ-2110.
Разобравшись с предохранителями, вы также можете узнать про то, как прокачать тормоза на ВАЗ-2110. Часто работа системы торможения очень сильно сказывается на работе автомобиля в общем и электрооборудования в частности.
Система расположения дополнительного блока предохранителей в ВАЗ-2110
Находится данный блок прямо на одной линии с инжектором и справа от размещенной по центру панели приборов. Для извлечения блока не нужно брать схему машины и искать потайные отсеки – достаточно лишь скрутить шурупы на панели и легко снять крышку.
Ниже на фотографии показана схема расположения непосредственно предохранителей, которых всего здесь расположено 6 штук, причем сила тока у них одинакова – по 15А каждый предохранитель.
На схеме показано расположение предохранителей, отвечающих за:
- Работу контроллера системы зажигания.
- Регулирование тока в датчиках кислорода, системе расхода воздуха и подсчета скорости машины.
- Правильную подачу топлива в насос, реле и форсунки.
- Работу вентилятора при охлаждении мотора.
- Работу бензонасоса.
- Непосредственно само зажигание всех систем машины.
Несмотря на дату выхода Лада Веста Кросс. в автомобиле ВАЗ-2110 вряд ли поменяют расположение основных блоков. Благодаря приведенным выше схемам теперь вы сможете заранее вычислить проблему машины, просто проверив состояние предохранителей и реле.
Дополнительные реле и предохранители
Дополнительные реле и предохранители расположены в салоне с правой стороны панели приборов за боковой облицовкой прикрепленной двумя шурупами.
Все предохранители имеют номинал 15А
- модуль зажигания, контроллер
- клапан продувки адсорбера, датчик скорости автомобиля, датчик концентрации кислорода (подогрева), датчик расхода воздуха
- реле топливного насоса, предохранитель бензонасоса , форсунки.
- реле электровентилятора
- реле бензонасоса
- главное реле (реле зажигания)
Регулятор напряжения – его главные функции
На автомобиле ВАЗ 2110 потенциал напряжения в генераторе формируется под влиянием переменного тока. Подобное явление становится возможным за счет наличия в генерирующем устройстве транспортного средства кремневых диодов. Ротор генератора (вращающаяся составляющая механизма) работает по далее приведенной схеме:
- сначала начинает функционировать коленчатый вал. на который оказывает воздействие ток;
- коленвал задает движение ротору;
- после этого начинает работать и непосредственно генерирующее устройство.
За всеми этапами озвученного процесса следит регулятор напряжения, который также нередко называют реле. Именно оно считается основным регулирующим узлом генератора.
Без регулятора генерирующий ток механизм ВАЗ 2110 не будет выполнять своих задач, которые указаны далее:
- запуск генератора;
- контроль (в автономном режиме) подачи тока;
- «удержание» в определенном интервале напряжения.
Описываемое реле не подвергается ремонту. При поломке требуется замена регулятора, которая производится после проверки работоспособности данного узла.
Регулятор напряжения ВАЗ-2110
РН «десятки» также имеет полупроводниковую конструкцию. Он интегрирован в генератор, что позволяет поддерживать необходимое напряжение непосредственно на выходе устройства.
Стоковый регулятор «десятки» выпускается под каталожным номером 1702.3702. Он может быть также использован в генераторах всех моделей «Самар».
На новых модификациях ВАЗ-2110 регулятор напряжения может иметь маркировку 1702.3702-01. Это новое поколение реле, которые изготавливаются по технологии MOSFET, позволяющей существенно снижать потери мощности на выходе. Кроме этого, эти устройства отличаются повышенной надежностью и устойчивостью к перегреву.
Как выполнить проверку реле на ВАЗ 2110?
Для анализа состояния регулятора необходимо приобрести вольтметр, который располагает измерительной шкалой в пределах 15–30 вольт. Проверка выполняется следующим образом:
- запускают на средних оборотах двигатель автомобиля и дают ему поработать на протяжении четверти часа (операция производится при включенных фарах);
- вольтметром определяют показатель напряжения между «массой» генерирующего устройства и «плюсом» на АКБ.
Если замер показывает величину напряжения от 13,5 до 14,2 вольт, замена регулятора не нужна. А вот в ситуациях, когда напряжение имеет другое значение, свидетельствующее о постоянном перезаряде либо недозаряде АКБ, требуется замена реле.
Также можно снять регулятор напряжения и проверить его в сборе с держателем щеток генератора. Для этого между щетками размещают 12-вольтную лампочку мощностью 1–3 ватт, к «массе» и плюсовому выводу батареи подключают источник питания, от которого сначала подают напряжение 12 вольт, а потом – 16 вольт.
Если лампочка горит при 12 вольтах и гаснет при 16, замена регулятора на ВАЗ 2110 не нужна. Если лампа не загорается, это говорит об отсутствии между выводами реле и щетками требуемого силового контакта либо о том, что произошел обрыв. А горение лампы при 12 и 16 вольтах свидетельствует о пробое регулятора.
Как выполняется замена реле напряжения генератора?
При наличии некоторых навыков снятие и разборка описываемого в статье механизма не вызывает затруднений у человека. Сложнее всего менять его в первый раз, а уже последующие замены, как правило, проходят быстро и без проблем.
Демонтируется регулятор на ВАЗ 2110 по такой схеме:
- отключают от АКБ клемму «минус»;
- отсоединяют от вывода, маркированного как «D+», приводную колодку;
- отворачивают гайку, которая располагается под резиновым чехлом (его требуется немного сдвинуть в сторону);
- отсоединяют в контактной шпильке все имеющиеся провода;
- отворачивают гайку в цепи генерирующего устройства (данный крепежный элемент фиксирует клемму) и снимают ее.
Затем нужно будет снять кожух генератора, открутив гайки (их три штуки), которые удерживают его, а также демонтировать корпус реле и вынуть из выпрямительного отсека винт крепления разбираемого механизма. Теперь регулятор напряжения ВАЗ 2110 легко снимается. Вместо него можно ставить новое устройство. После замены реле все описанные действия выполняются в обратном порядке.
Замена реле зарядки аккумулятора
1. Отключите «минус» от аккумулятора.
2. Отключите «минус» генератора
3. Открутите гайку крепления «плюса» генератора и снимите пластиковую крышку, отогнув защелки
4. Открутите два винта крепления регулятора напряжения (генератор снят для наглядности) и снимите его
Щетки должны выступать из регулятора напряжения минимум на 5мм. Мои щетки выступали на 1-1.2 см.
Почти новые, можно сказать. Щетки не заедали и вообще были в хорошем состоянии. Далее, я зачистил клеммы самого аккумулятора и контакты «+» или, как его еще называют, выхода «B» генератора. Вновь замерил напряжение — картина та же. Заряд плохой. Взвесив все за и против, я решил не разбирать генератор (если решите разобрать генератор Вам сюда), а заменить регулятор напряжения (несмотря на хорошее состояние щеток). Этот элемент в генераторе, пожалуй, самый дешевый. Я купил за 230р. Заменив регулятор и заведя двигатель, я поспешил проверить напряжение. На мультиметре показались долгожданные показания 14.1В. Включив ближний свет, печку, колонки и обогрев стекла, прибор показал , 13.6В. Заряд на аккумулятор вновь стал поступать. Далее, я снял АКБ и зарядил его дома. Сейчас, спустя две недели, все показания АКБ в норме. Надеюсь эта статья будет кому-то полезна.
Регулятор напряжения на современном автомобиле автоматически и непрерывно корректирует ток возбуждения генератора. Причем данный процесс идет так, чтобы при изменении токовой нагрузки и частоты вращения генератора величина его напряжения оставалась в строго определенном интервале.
Трехуровневый регулятор напряжения генератора для «десятки»
При включении на ВАЗ 2110 системы обогрева, фар и других дополнительных нагрузок аккумулятор автомобиля разряжается очень быстро. Такое явления наблюдается даже тогда, когда «родное» реле генератора функционирует в нормальном режиме. Избавиться от этой проблемы позволяет трехуровневый регулятор. Его можно приобрести в любом автомагазине, вооружиться нехитрым набором инструментов (щипцы для клемм, нож, рожково-накидной ключ S10 и крестовая отвертка) и самостоятельно установить на машину.
Трехуровневый механизм монтируется следующим образом:
- сначала снимают старое реле по алгоритму, приведенному выше;
- шлифуют концы дистанционной втулки при помощи напильника (эта операция обеспечивает более надежный контакт с диодным мостом);
- на место реле устанавливают новый элемент с щеткодержателем (продается в комплекте);
- герметиком уплотняют место входа кабелей;
- ставят назад кожух из пластика;
- прокладывают кабель вдоль стандартной проводки к тому участку, где монтируется реле, и плотно закрепляют новый провод небольшими хомутами из пластика.
Рекомендуется соединить при помощи надежного шунта корпуса установленного реле напряжения и автогенератора. Это обеспечивает необходимый контакт устройства с «массой». Впрочем, можно обойтись и без шунта.
Смонтированный трехуровневый механизм следует проверить тестером при полной потребительской нагрузке (включается обогрев стекла, печка, фары и так далее). На максимуме прибор должен показывать 14,5 В, в нормальном режиме – 14,1 В, на минимуме – около 13,4 В.




