Электрические стеклоподъемники относительно недавно устанавливаются на автомобили отечественного производства. Эти механизмы полностью соответствуют современным тенденциям в отрасли, однако не отличаются высокой надежностью. Очень часто приходится слышать жалобы на то, что не работает правый стеклоподъемник ВАЗ-2110, плохо реагирует на команды устройство с водительской стороны либо одновременно отключаются оба устройства. Как найти причину поломки и устранить ее, не обращаясь в автосервис? На этот вопрос мы попробуем отыскать ответы в данной статье.
Составляющие системы стеклоподъемников
Что делать, если не работает правый или отказали оба ЭП? Стеклоподъемники могут сломаться, в результате чего они будут не в состоянии опустить или поднимать стекла. Возможно, ЭП заедает или клинит, но перед тем, как отремонтировать и разобрать систему своими руками, нужно разобраться в ее устройстве. Сам узел работает посредством управления электромоторами, установленными в двери транспортного средства и предназначенными для поднятия и опускания стекол.
В саму систему входят такие компоненты:
- электродвигатели;
- выключатели, расположенные в дверях;
- проводка;
- стекла.
Общее устройство системы ЭП



Принцип работы
Почему не работают стеклоподъемники или не поднимается только правый стеклоподъемник? Чтобы точно понять, по какой причине произошла неисправность, желательно ознакомиться с принципом работы узла. Обычно такая система обладает трапециевидной конструкцией, которая позволяет осуществлять поднятие и опускание стекол посредством нажатия на выключатели. Сами кнопки могут быть расположены во всех картах дверей авто или находиться только в водительской двери. Также стоит отметить, что в каждой двери монтируется электродвигатель, который функционирует в двух направлениях.
Кроме того, каждая система оснащается специальным реле, предназначение которого заключается в контроле напряжения, поступающего на электродвигатели конструкции. В зависимости от транспортного средства, некоторые модели авто могут быть дополнены автоматическими выключателями, которые устанавливаются отдельно для каждого электродвигателя. Использование таких конструктивных элементов позволяет обеспечить нормальную работу всей системы, если плохой работает стеклоподъемник только на одной двери.
Возможные неисправности и способы их устранения
Теперь предлагаем ознакомиться с причинами основных неисправностей, которые могут произойти в работе СП. При неполадках стеклоподъемники либо вовсе откажутся работать, либо будут функционировать некорректно или шумно.
Основные причины неполадок:
- Неисправности в работе электроцепи, то есть проводки. При повреждении проводки на моторчик управления СП перестанет поступать сигнал о необходимости поднятия и опускания, соответственно, работа СП будет невозможной. Проводка может быть повреждена, в некоторых случаях причина кроется в нарушении изоляции или окислении контактов. Поврежденные участки электроцепи подлежат замене, окисленные контакты необходимо очистить или заменить.
- Неработоспособность моторчика редуктора. Поломка электродвигателя обычно происходит спустя несколько лет интенсивной эксплуатации. При выходе из строя агрегата нормальная работа СП будет невозможной, привод подлежит ремонту или замене, здесь нужно учитывать особенность поломки.
- Поломка управляющего модуля с клавишами. Если не работают сразу все электростеклоподъемники, то скорей всего причина заключается в неработоспособности блока управления. Возможно, нарушен контакт с электросетью авто или произошел выход из строя самой платы. Сама плата подлежит замене. Если же не функционирует только один или несколько подъемников, то причина может крыться в плохом контакте кнопки управления с сетью. Опять же, нужно избавиться от окисления и переподключить кнопку.
- Механический износ шестеренки. Такая неполадка обычно обусловлена длительной и интенсивной эксплуатацией СП, зубья шестеренки могут повредиться в результате износа. Ремонт нецелесообразен, шестерня подлежит замене.
- Перегорание предохранителя, отвечающего за работу СП. Предохранительный элемент может находиться в монтажном блоке со всеми остальными предохранителями и реле. Но если вы ставили СП самостоятельно, то предохранитель может располагаться рядом с аккумуляторной батареей. Вышедшее из строя устройство подлежит замене (автор видео — канал В Деревне Life).

Причины неисправности
Итак, мы плавно подошли к вопросу неисправностей. Как быть, если стеклоподъемник не может опускаться или подниматься? Перед тем, как снять стеклоподъемник, разбирать и починить его в своем авто, давайте разберемся в основных причинах. Если не работают задние стеклоподъемники или передние, причина может иметь как электрический, так и механический характер.
Подробное устройство системы ЭП
Сбои в электрике
В первую очередь, если перестал работать стеклоподъемник, необходимо произвести диагностику предохранительного элемента, отвечающего за функциональность системы. Если вы поймете, что не работает электростеклоподъемник из-за предохранителя, то его нужно просто заменить. Но если предохранитель рабочий, то нужно будет замерить напряжение на клеммах электромотора. Такую задачу можно осуществить при помощи обычной лампы на 12 вольт или используя тестер.
Если вы обнаружите, что не работает водительский стеклоподъемник или на любой другой двери из-за напряжения, то нужно дальше проверять:
- проводку;
- реле;
- блок управления системой.
Иногда автовладелец думает, что сломался стеклоподъемник, если после открытия стекла оно автоматически начинает закрываться, пока в замке зажигания не повернется ключ. Как правило, в этом случае проблема кроется в контактах, которые следует зачистить. Значительно реже, но все же бывает, что ремонт электростеклоподъемников включает в себя замену или ремонт кнопки.
Механические дефекты механизма
Если после измерения напряжения вы поймете, что ток в системе есть, но при этом не опускается или в принципе не работает стеклоподъемник, вероятнее всего, проблема механическая. Как правило, в таком случае устройство что-то мешает, поэтому придется разбирать дверь и искать причину. Значительно реже причина кроется в вышедшем из строя электродвигателе (автор видео — канал В гараже у Сандро).
Как поднять стекло, если сломался ЭП, — вариантов несколько:
- Приобрести ремкомплект стеклоподъемника и отремонтировать устройство, после чего полноценно пользоваться системой.
- Попробовать взять руками стекло с двух сторон и потянуть его вверх. Если стекло падает после поднятия, то придется разбирать дверь и подставлять под него опору соответствующего размера.
- Если руками поднять стекло не получается, можно взять рыболовецкий крючок на леске и опустить его в карту двери. Вам необходимо попытаться поддеть стекло и поднять его.
ВАЗ-2112 – не работают стеклоподъемники
Неисправность электрических стеклоподъемников на ВАЗ-2112 связана с их электродвигателями. Причины:
- Неправильная эксплуатация. Часто неопытные автовладельцы или их знакомые любят несколько раз в минуту поднимать и опускать стекло. Это приводит к тому что из-за постоянного прохождения тока через обмотку якоря электродвигателя выделяется тепло, а учитывая то, что корпус электродвигателя изготовлен из пластмассы, то он под воздействием тепла начинает плавиться, что приводит к короблению и заклиниванию щеток коллектора.
- Неисправность механического узла электрических стеклоподъемников. Механическая часть, при помощи которой поднимается и опускается боковое стекло, устанавливаемая на автозаводе ВАЗ, состоит из тросовой трапеции. К сожалению, материал пластмассовых роликов, в которых перемещает трос, не всегда бывает качественным. В результате этого, трос со временем прорезает ролик и соскакивает с него, что приводит к невозможности работы стеклоподъёмника. Также бывают случаи, когда разрушается наконечник троса и его вырывает с места заделки. Способом ремонта этих неисправностей будет приобретение новой трапеции(электродвигатель не понадобится) и переустановка детали
- Перекос или заеданием бокового стекла в направляюших. Для устранения неполадки необходимо снять обшивку и проверить установку стекла относительно вертикали стеклоподъемника и при необходимости отрегулировать положение бокового стекла. Причиной может быть износ бархотки, из-за чего при поднятии стекла вверх “голая” резина тормозит его движение.
- Неисправность предохранителя F5 или реле. Через реле подается напряжение на электродвигеатил стеклоподъемников. Расположены они в монтажном блоке, который стоит с левой стороны передней панели.
Инструкция по замене электродвигателя
Ремонт стеклоподъемника может включать в себя разные этапы в зависимости от поломки. В данном случае мы расскажем, как отремонтировать стеклоподъемник, заменив его электродвигатель, как сказано выше, эта проблема является одной из самых частых.
Процесс замены рассмотрен на примере автомобиля Лада Калина:
- Сначала необходимо купить новый электродвигатель, который продается в корпусе с редуктором. Демонтируется обшивка двери — эту операцию нельзя выполнять на морозе, поскольку обшивка фиксируется при помощи пластмассовых пистонов, которые быстро сломаются.
- Открутите все саморезы и другие крепления, фиксирующие внутреннюю ручку.
- Все провода нужно отключить, для большего удобства можно демонтировать акустические колонки. После этих действий откручивается стекло, которое зафиксировано в направляющих. Чтобы стекло опустилось на дно, необходимо открутить еще четыре винта, для этого используется ключ на 10. Снизу стеклопакета имеется шторка, ее необходимо снять.
- Непосредственно сам стеклоподъемник крепится на гайках и направляющих, сам электродвигатель зафиксирован еще тремя гайками. Блок можно вытащить через технологические отверстия в двери. Если вы разберете редуктор, то электродвигатель рассыпется на две части. В общем, редуктор необходимо демонтировать и заменить на новый, произведя дальнейшую сборку в обратном порядке. Перед эксплуатацией тросик редуктора следует смазать.
Как заменить стеклоподъемник на ВАЗ 2108-ВАЗ 21099?
Снятие: 1) Сперва с той двери автомобиля на которой вы собираетесь производить работу, снимите обшивку. (Как снять обшивку, вы сможете найти в статье: «Замена обшивки двери на новую»)
2) Теперь снимите боковое стекло с двери автомобиля, воспользовавшись для этого статьей, по «Замене стекла на боковой двери автомобиля».
3) Затем с помощью удлинителя с накидной головкой, отверните две гайки которые крепят среднюю часть направляющей механизма.
4) Следом отверните ещё одну гайку нижнего крепления.
5) А после чего выверните гайку верхнего крепления.
6) Теперь при помощи всё того же удлинителя с накидной головкой, выверните полностью три гайки, которые крепят сам механизм стеклоподъемника.
7) И в завершение операции, через отверстие во внутренней части двери извлеките стеклоподъемник.
Установка: 1) В начале установите новый стеклоподъемник на свое место. А после установки закрутите все болты и все гайки которые его крепят.
Видео «Замена ЭП в домашних условиях»
Подробнее о том, как производится замена стеклоподъемника в автомобиле своими руками, узнайте из видео ниже (автор — канал В гараже у Сандро).
Ремонт стеклоподъемника ваз
Как правило, если не работает стеклоподъемник на ваз 2110, то это не вызывает удивления. Похвастаться своей надежностью эти конструкции, к сожалению, не в состоянии. Если на ваз 2110 не работают стеклоподъемники, то придется провести их ремонт своими руками.Конечно же, можно заменить данное устройство на новое. Тем более что сегодня на рынке продается множество разновидностей ЭСПД. Но к чему лишние траты, тем более что если не работают стеклоподъемники ваз 2110, их можно легко отремонтировать.
Зачем нужен ремонт
Прибегать к ремонту стеклоподъемника приходится по разным причинам. И чаще всего причина неисправности кроется в электродвигателе. Это объясняется тем, что корпус двигателя сам по себе не герметичен и в него способна попасть влага. Вследствие этого внутри появляется ржавчина, которая разрушает механизмы. Если не работает стеклоподъемник на ваз 2114 или другой модели, рекомендуется начать ремонт с разбора двери. Но для начала рассмотрим типы подъемников, используемых на сегодня:
- реечные стеклоподъемники, которые считаются самыми надежными из всех остальных;
- СПД тросиковые, которые ставятся на модели Ваз штатно;
- планочные СПД.
В зависимости от того, какой производитель выпускает ЭСПД, они могут устанавливаться в штатные места без особой переделки. Если же они не подходят, то ничего страшного. Стеклоподъемник можно будет спокойно переделать. Кроме того, что СПД различаются по типу конструкции, они еще могут иметь и различные моторы. Так, на стеклоподъемниках может быть установлен электродвигатель отечественного или импортного производства. Именно из-за этого и вытекает разница между СПД, которые могут иметь:
- разную скорость опускания и подъема стекол;
- разный уровень шума при работе;
- способность работать в зимних условиях и т.д.
Ремонт
Провести ремонт данного механизма, как и говорилось выше, несложно, если знать конструкцию и принцип работы. В частности, рассмотрим сам механизм ЭСПД, который представляет собой не зубчатый редуктор, как у механических разновидностей. В подъемных механизмах передних дверей электрического типа применяется только барабан. Именно в отверстие этого барабана и вставляется вал моторедуктора. Сам моторедуктор состоит из редуктора червячного типа, а также электрического двигателя, который работает на токе от постоянных магнитов. Конструкция этого моторедуктора схожа с конструкцией устройства очистителя ветрового стекла. Что касается направления тока в обмотке якоря данного моторедуктора, то он является реверсивным. А встроенный термобиметаллический предохранитель отменно защищает его от перегрузок.
Схема включения ЭСПД дверей
Если быть точным, то схема ЭСПД состоит из:
- блока;
- переключателя ЭСПД передней двери;
- моторедуктора ЭСПД;
- выключателя зажигания;
- реле;
- выключателя наружного освещения.
Итак, начинаем процесс ремонта:
- разбираем обивку, снимаем стеклоподъемник (как это сделать, было написано выше);
- нужно теперь вынуть тросиковую часть с двигательного механизма;
- полностью снимаем трос с катушки;
- разматываем его.
Примечание. Нужно будет тщательно осмотреть шлицы, которые часто стираются. Кроме того, если шлицы остаются так длительное время, они деформируют посадочный цилиндр, который создает огромную нагрузку на двигатель моторедуктора.
- стачиваем на фрезерном станке выступающие части цилиндра;
- восстанавливаем округлость цилиндра.
Примечание. При этом нужно будет следить за тем, чтобы сточились выпуклости и с обратной стороны цилиндра, появившиеся из-за проворачивания ведущего вала.
- берем стальную двухмиллиметровую пластину, из которой вырезаем круг подходящего размера;
Вырезаем круг из металлической полоски
- после этого нужно наметить ребра жесткости на круге;
- пластину ставим на место.
Примечание. Желательно, чтобы пластина садилась на место плотно и с некоторым усилием.
- собираем катушку в обратной последовательности.
Саму пластину крепить дополнительно к катушке не стоит, ведь она и без того надежно сидит. А сама конструкция корпуса ЭСПД сделана таким образом, что не позволяет пластине, даже самодельной, разболтаться и выпасть. Что касается проворачивания пластины, то и здесь все надежно из-за ребер жесткости. Продолжаем:
- наматываем трос на катушку;
- устанавливаем крышку.
Примечание. Не забываем тщательно смазать трос какой-либо смазкой, к примеру, литолом или солидолом.
- ставим трос на место, натягивая немного при помощи специального болта;
- теперь осталось только установить ЭСПД в дверь.
Обычно этого бывает достаточно, чтобы стекло вновь нормально опускалось и поднималось. Даже может увеличиться скорость подъема стекла по сравнению с той, которая была до ремонта. Ведь восстановление округлости цилиндра, особенно ЭСПД, эксплуатируемого длительное время, пойдет только на пользу. Уменьшается его трение и противодействие двигателю, а это, в свою очередь, и оказывает положительный результат. Рекомендуется посмотреть вот это видео, прежде чем начинать работу.
Мы рекомендуем начать поиск проблемы с ее классификации, тем самым сузив список причин до двух групп:
Проблемы в электрике
Первым делом проверьте предохранитель стеклоподъемника (на ВАЗ 2110 это предохранитель F5). Если он целый, тогда проверяем напряжение на клеммах моторчика стеклоподъемника, используя мультиметр или обычную лампочку на 12В. Если напряжения нет, тогда тщательно проверяем проводку, реле стеклоподъемников, а затем и блок управления (если есть). См. также Монтажный блок.
| Почему не работает стеклоподъемник? Причин неисправности достаточно много, начиная от банального замерзания окон, до выхода из строя механизмов стеклоподъемника. А Вы знаете, как проверить стеклоподъемник? |
|
|
Замена стеклоподъемника на ВАЗ 2108, ВАЗ 2109, ВАЗ 21099
Добро пожаловать! Сегодня вы узнаете как правильно нужно менять стеклоподъемник, на автомобилях «ВАЗ» семейства «Самара».
Краткое содержание:
Где находится стеклоподъемник? Он находится во внутренне части двери, под обшивкой. В связи с этим, его можно отчетливо увидеть только лишь при снятой обшивки с двери автомобиля. Ниже приведено фото на котором стрелками указано месторасположение стеклоподъемника:
Когда нужно менять стеклоподъемник? Обычно при его выходе из строя, может перестать подниматься и опускаться стекло, посредством прокрутки ручки стеклоподъемника!
Истории наших читателей
«Гребаный таз. «
Всем привет! Меня зовут Михаил, сейчас расскажу историю о том, как мне удалось обменять двенашку на камри 2010г. Все началось с того, что меня стали дико раздражать поломки двенашки, вроде ничего серьезного не ломалось, но по мелочи, блин, столько всего, что реально начинало бесить. Тут и зародилась идея о том, что пора менять машину на иномарку. Выбор пал на таёту камри десятых годов.
Да, морально то я созрел, а вот финансово никак не мог потянуть. Сразу скажу, что я против кредитов и брать машину, тем более не новую, в кредит это неразумно. Зарплата у меня 24к в месяц, так что насобирать 600-700 тысяч для меня практически нереально. Начал искать различные способы заработка в интернете. Вы не представляете сколько там развода, чего только не пробовал: и ставки на спорт, и сетевой маркетинг, и даже казино вулкан, в котором удачно проиграл около 10 тысяч(( Единственным направлением, в котором мне, казалось, можно заработать – это торговля валютой на бирже, это называют форексом. Но когда начал вникать, понял что это оочень сложно для меня. Продолжил копать дальше и наткнулся на бинарные опционы. Суть та же, что на форексе, но разобраться намного проще. Начал читать форумы, изучать трейдерские стратегии. Попробовал на демо счете, потом завел реальный счет. Если честно начать зарабатывать удалось не сразу, пока понял всю механику опционов, слил около 3000 рублей, но как оказалось это был драгоценный опыт. Сейчас зарабатываю 5-7 тыс. рублей в день. Машину удалось купить спустя пол года, но как по мне это неплохой результат, да и дело не в машине, у меня изменилась жизнь, с работы естественно уволился, появилось больше свободного времени на себя и семью. Будете смеяться, но работаю прямо на телефоне)) Если ты хочешь изменить свою жизнь как я, то вот что советую сделать прямо сейчас: 1. Зарегистрируйтесь на сайте 2. Потренируйтесь на Демо-счете (это бесплатно). 3. Как только что-то будет получаться на Демо-счете, пополняйте РЕАЛЬНЫЙ СЧЕТ и вперед, к НАСТОЯЩИМ ДЕНЬГАМ! Также советую скачать приложение на телефон, с телефона работать намного удобнее. Скачать тут.
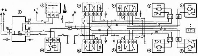
Схема включения электростеклоподъемников дверей на автомобилях семейства ваз 2110: 1 – монтажный блок; 2 – выключатель зажигания; 3 – переключатель электростеклоподъемника правой передней двери; 4 – переключатель электростеклоподъемника правой задней двери; 5 – моторедуктор электростеклоподъемника правой передней двери; 6 – моторедуктор электростеклоподъемника правой задней двери; 7 – моторедуктор электростеклоподъемника левой задней двери; 8 – моторедуктор электростеклоподъемника левой передней двери; 9 – переключатель электростеклоподъемника левой задней двери; 10 – переключатель электростеклоподъемника левой передней двери; 11 – реле включения электростеклоподъемников; А – к источникам питания; В – к выключателю освещения приборов; С – порядок условной нумерации штекеров в колодках электростеклоподъемников
Если глючит стеклоподъемник, например, при нажатии кнопки окно открывается, но не фиксируется и тут же само закрывается. Либо кнопка перестает работать пока не выключишь/включишь зажигание. Причина неисправности в кнопке. Ее следует снять, зачистить контакты, а при необходимости заменить.
Механическая проблема
Если напряжение на двигатель стеклоподъемника поступает, а стекло не двигается, значит что то мешает этому, либо неисправен электродвигатель стеклоподъемника.
Почему не работает мотор стеклоподъемника? Одна из причин – западение или залипание щеток двигателя привода. Чтобы проверить это, следует включить зажигание и нажать на кнопку стеклоподъемника, одновременно постукивая по двери автомобиля несколько раз. Щетки отлипнут и ЭСП заработает. Как отремонтировать стеклоподъемник в этом случае? Следует снять кожух моторчика и вытащить ротор. Нагар в местах прикосновений щеток зачистить мелкой наждачной бумагой.
Не работает электростеклоподъемник, слышно рычание, а стекло стоит на месте, либо стеклоподъемник заедает. Возможно износилась пластиковая шестерня в редукторе, в результате она плотно прихватывается в крайнем закрытом положении, либо проскальзывает и поэтому трещит. При подъеме/опускании стекла есть громкий шум? Скорее всего виноват подшипник в моторедукторе стеклоподъемника.
Перестали работать стеклоподъемники, но при нажатии на кнопку есть шум, причем замена моторчика не помогла? Возможно перетерся тросик стеклоподъемников из-за перетяжки. Стекло открылось, но обратно его стеклоподъемник не поднимает, при этом его можно поднять и опустить рукой? Трос стеклоподъемника порвался, либо просто слетел с направляющих.
Еще одна неисправность стеклоподъемника, когда стекло как бы дергается, пытаясь закрыться. Скорее всего дело в перекосе стекла, либо что-то попало на рельс или ролик.
Плохо работают стеклоподъемники. Попробовать смазать механизм стеклоподъемника, а также направляющие стекла. Если это помогает лишь на время, тогда пробуйте отрегулировать стекло и сам стеклоподъемник.
Если стеклоподъемники работают медленно, попробовать смазать механизм стеклоподъемника, а также направляющие стекла. Возможно это максимальная скорость их работы, поэтому единственным правильным решением будет их замена на новые (см. какие ЭСП выбрать).
Приходилось ли Вам ремонтировать стеклоподъемники ?
Основные неполадки в работе стеклоподъемника
- Основные неполадки в работе стеклоподъемника
- Причины неисправности стеклоподъемников
- Устраняем механические поломки стеклоподъемников
Хорошая комплектация автомобиля подразумевает наличие электрических стеклоподъемников. Такая функция уже не является чем-то особенным, однако она очень ценится владельцами автомобилей за удобство. Но за время эксплуатации автомобиля наступает момент, когда стеклоподъемники начинают плохо работать – они могут не отвечать на нажатие кнопок либо время от времени заедать. Для того чтобы разобраться в причинах этого, необходимо обладать знаниями о системе стеклоподъемников, о том, как она функционирует, и только после этого начинать искать поломки.
Причины неисправности стеклоподъемников
Стеклоподъемники можно привести в действие только тогда, когда ключ находится в замке зажигания и повернут в положение «ON». Когда при нажатии на кнопку опускания/поднимания стеклоподъемников нет никакого результата, логично будет предположить, что произошла какая-то поломка. Чтобы устранить неисправность, нужно понять, какова причина ее возникновения. Необходимо проверить систему стеклоподъемников, чтобы обнаружить вышедшую из строя деталь; для этого проводим следующие действия:
1. Если электрические стеклоподъемники не работают, нужно проверить автоматический выключатель либо предохранитель – возможно, он перегорел.
2. Когда не работают только задние стеклоподъемники, либо есть реакция только с главного блока (то есть кнопки на дверях не работают), необходимо проверить наличие напряжения на клеммах стеклоподъемника.
3. Если поломку в системе стеклоподъемников вы не выявили, то необходимо просмотреть все провода, которые соединяют элементы стеклоподъемника. Если был обнаружен разрыв провода, его нужно восстановить.
4. Если не получается опустить/поднять только одно из стекол с помощью главного блока управления стеклоподъемниками, можно попробовать сделать это, используя кнопки, которые расположены под обшивкой двери. Если таким путем все получилось и стекло движется, то проблема в блоке управления.
5. Еще одной причиной неисправности стеклоподъемников является неработоспособность электрического моторчика. Тогда следует проверить наличие напряжения и проводку, и тут нужны будут схемы электрооборудования вашей машины.
6
Стоит обратить внимание на наличие механических повреждений направляющих, по которым идет передвижение бокового стекла
Чаще всего владельцы автомобилей сталкиваются с неисправностями по части проводки, которая соединяет элементы системы стеклоподъемников, а также электрических моторчиков. Основной причиной их неисправности является очень активное пользование стеклоподъемниками, а также износ проводки. Вам потребуется немало времени, чтобы найти образовавшуюся неисправность в системе стеклоподъемников. Существует и запасной вариант – вы всегда сможете обратиться к специалисту, который занимается электрической частью машин, и он все сделает сам. Такой вариант очень удобен, если у вас нет времени самому решить такую проблему.
Устраняем механические поломки стеклоподъемников
С электрической частью системы стеклоподъемников случается меньше неисправностей по сравнению с механической частью. Очень слабыми местами стеклоподъемников считаются элементы из пластмассы, которые нужны для производства реек, шестерней и других пластмассовых частей стеклоподъемников. При эксплуатации стеклоподъемников может повредиться зубчатое колесо, которое необходимо заменить.
Определить эту поломку достаточно сложно – вы слышите, что двигатель работает, однако стекло не движется. Скорее всего, зубчатое колесо крутится в холостую и не прокручивает устройство управления положением стекла. Для того чтобы произвести замену зубчатого колеса, нужно разобрать дверные панели и достать оттуда остатки зубчатого колеса. Затем производим замену неисправной части. Если все прошло успешно и стекло перемещается, то дверную панель можно закрыть.
Возникающие неисправности тросовых стеклоподъемников такие же, как и в ручных приводах. Одной из главных неисправностей в таких стеклоподъемниках является обрыв троса. Такая неисправность может возникнуть из-за истечения срока службы устройства, резкого перепада температуры в зимнее время. Когда происходит обрыв троса, то его нужно менять на новый. Последним видом неисправностей является поломка рычагов, но такой тип встречается довольно редко. Однако если она случилась, то рычаги необходимо менять на новые.
Подписывайтесь на наши ленты в Facebook, Вконтакте и Instagram: все самые интересные автомобильные события в одном месте.




